Treppengeländer und Brüstungsgeländer aus Stahl, pulverbeschichtet
Treppengeländer und Brüstungsgeländer
Treppengeländer und Brüstungsgeländer
Treppengeländer pulverbeschichtet
Treppengeländer und Brüstungsgeländer
Treppen und Brüstungsgeländer
Treppengeländer und Brüstungsgeländer aus Stahl, pulverbeschichtet
Treppengeländer und Brüstungsgeländer
Treppengeländer und Brüstungsgeländer
Treppengeländer pulverbeschichtet
Treppengeländer und Brüstungsgeländer
Treppen und Brüstungsgeländer
Metall & Gestaltung

Treppengeländer und Brüstungsgeländer aus Stahl, pulverbeschichtet

1.012,- € / Stück

UVP: 3.150,- €

inkl. 19% MwSt., zzgl. Versandkosten

Zusätzliche Versandkosten für diesen Artikel: 240,- €

Eigenproduktion: 
  • Lieferfrist 21 Werktage **
  •  
    Alle Artikel können frei Werkstatt bei uns abgeholt werden.  
  • Kauf auf Rechnung möglich
Artikel-Nr.: 999310

Shit happens.
Dieses Geländer haben wir falsch gebaut und mussten es ein zweites Mal fertigen.

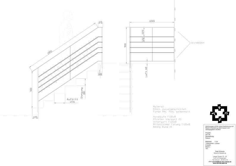
Treppengeländer und Brüstungsgeländer aus Stahl, pulverbeschichtet.

Handlauf gefertigt aus 30 x 8 mm S235JR Flachstahl,

Pfosten Vierkant 20 mm,

Untergurt und Mittelstreben auf 20x8 mm,

vier horizontale Relingstäben Ø 10 mm, Befestigung von oben,

alle Stahlteile pulverbeschichtet ähnlich eloxalbraun,

Brüstung ca. 1099 mm, Treppengeländer für 6 Stufen ca. 1851 mm,

Höhe im Mittel ca. 900 mm,

inkl. Planung, Konstruktion und Fertigung

Geländer
Befestigung:
von oben
Handlauf:
besteht aus 30x8 mm Flachstahl
Höhe:
ca. 90 cm über Fußboden
Material:
30x8 mm Flachstahl
Querstreben:
Stahl, Durchmesse 10 mm
Oberfläche:
pulverbeschichtet
Allgemeine Hinweise zur Bestellung
  • Abholung Gratis
Weitere Informationen zu den Lieferbedingungen >
Mehr Informationen
Rückruf anfordern
Individuelle Beratung:
05121 - 28 29 320